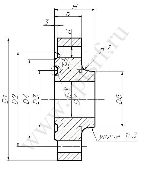
Фланец сосудов и аппаратов ГОСТ 28759.4-90

Фланцы сосудов и аппаратов стальные прриварные встык под прокладку восьмиугольного сечения предназначены для работы в химмической, нефтехимической, нефтеперерабатывающей и других отрослях промышленности.
Диамертом от 400 мм до 1600 мм с условным давлением от 6,3 до 16,0 МПа при температуре рабочей среды от -70 до 540оС.
Типы и основные параметры фланцев сосудов и аппаратов стальных приварных встык под прокладку восьмиугольного сечения устанавливает ГОСТ 28759.1-90
Пример условного обозначения при заказе фланца сосудов и аппаратов стального приварного встык под прокладку восьмиугольного сечения:
Dу 700 мм на Ру 6,3 МПа из стали 12Х18н10Т исполнения 1
Фланец 1-700-6,3 12Х18Н10Т ГОСТ 28759.4-90.
Краткая техническая характеристика
|
Условное давление, Ру, МПа |
6,3 | 8,0 | 10,0 |
|
Условный диаметр, Dу, мм |
400-1200 | 400-1200 | 400-1200 |
|
Температура |
От минус 70 до плюс 540° С | ||
|
Материал |
сталь 20, 09Г2С, 15Х5М, 12Х18Н10Т | ||